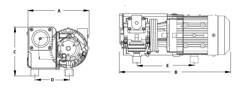
Item Details : Item # RXA-21-SP , 9.5 Inch (in) Dimension A Oil Lubricated Rotary Vane Vacuum Pump