- Oil free
- Maintenance free
Unit of Measure
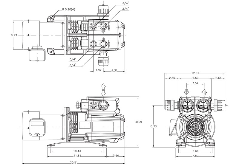
Specifications
Motor |
N/A without Motor |
Air Flow |
N/A 17 ft³/min |
Maximum Pressure |
N/A 14 psig |
Weight |
N/A 14 kg32 lb |
Features
|
N/A
|




