- Oil free
- Maintenance free
- Longer life carbon vane design
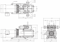
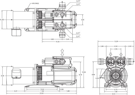
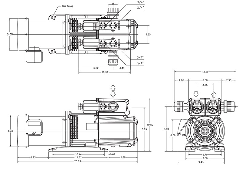
Unit of Measure
Specifications
Voltage |
N/A 208-230/460 V |
Speed |
N/A 1750 rpm |
Power |
N/A 2 hp |
Air Flow |
N/A 24 ft³/min |
Maximum Pressure |
N/A 14 psig |
Weight |
N/A 79 lb |
Features
|
N/A
|




