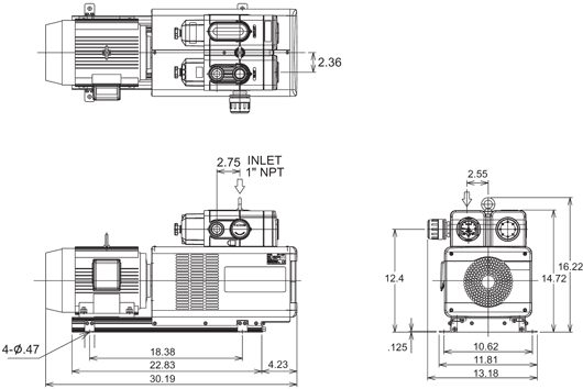
- Oil free
- Maintenance free
- Longer life carbon vane design
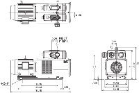
Unit of Measure
Specifications
Motor |
N/A without Motor |
Air Flow |
N/A 50 ft³/min |
Maximum Pressure |
N/A 14 psig |
Weight |
N/A 170 lb |
Features
|
N/A
|




