- Oil free
- Maintenance free
- Longer life carbon vane design
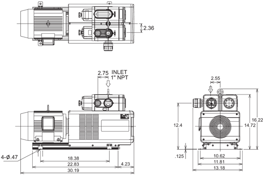
Unit of Measure
Specifications
Voltage |
N/A 115 or 230 V |
Speed |
N/A 1200 rpm |
Power |
N/A 2 hp |
Air Flow |
N/A 50 ft³/min |
Maximum Pressure |
N/A 14 psig |
Weight |
N/A 235 lb |
Features
|
N/A
|




