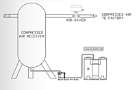
A typical compressed air system will have air loss through pipe work connections, leaking float type drains etc. At the end of the daily working shift the Air-Saver will shut the air tank off from the rest of the system.
The content of compressed air within the air tank will be saved rather than lost through pipe work leakages.
The Air-Saver is installed on the air outlet of the air tank. The Air-Saver will automatically OPEN just prior to the working shift begins and CLOSES just after the working shift is over.
Commercial Benefits
Power consumption: 7W during cycle rotation
Opening / Closing duration: 30 sec. / 90º
Valve: Nickel plated brass with stainless steel ball
Connection: 1" NPT full port
Pressure range: 0 - 230 psi
Indicators: LCD indicating program and current time
The content of compressed air within the air tank will be saved rather than lost through pipe work leakages.
The Air-Saver is installed on the air outlet of the air tank. The Air-Saver will automatically OPEN just prior to the working shift begins and CLOSES just after the working shift is over.
Commercial Benefits
- Microprocessor controlled (7 day program feature - multiple cycles possible each day)
- Fully automatic - no maintenance
- External push button controls (disassembly not necessary)
- Easy to program
- LCD displaying the program cycle and the current time
- Small compact design
- Each individual day can be programmed according to specific working day shift requirements
- Orifice 1"
- FPM seals
- Stainless steel ball, valve is nickel plated brass
- Slow ball valve rotation 90 degrees in 70 seconds (designed to avoid water-hammer when Opening or Closing)
Power consumption: 7W during cycle rotation
Opening / Closing duration: 30 sec. / 90º
Valve: Nickel plated brass with stainless steel ball
Connection: 1" NPT full port
Pressure range: 0 - 230 psi
Indicators: LCD indicating program and current time
Unit of Measure




