FEATURES
  • Cooler running, outboard bearing provides maintenance-free operation
  • Environmentally friendly oil-free technology
  • Extremely quiet operation
  • All motors are standard TEFC with Class F insulation, UL recognized, CE Compliant
  • Explosion-Proof motors available
  • Custom construction blowers are available
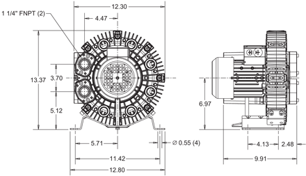
  • Rugged die cast aluminum construction
Unit of Measure

Financing

Approve Payments

N/A Finance with Approve Payments

Specifications

Maximum Flow Rate

N/A 50 scfm

Maximum Vacuum (inH2O)

N/A -136

Maximum Pressure (inH2O)

N/A 145

Horsepower

N/A 1.26 hp

Frequency

N/A 60 Hz

Phase

N/A 3

Input Voltage

N/A 220D… 250D 415Y…460Y

Input Current

N/A 2.3Y 4D

Sound Level

N/A 62 dBA

Weight (Single)

N/A 37 lb