FEATURES
- Cooler running, outboard bearing provides maintenance-free operation
- Environmentally friendly oil-free technology
- Extremely quiet operation
- All motors are standard TEFC with Class F insulation, UL recognized, CE Compliant
- Explosion-Proof motors available
- Custom construction blowers are available
- Rugged die cast aluminum construction
Unit of Measure
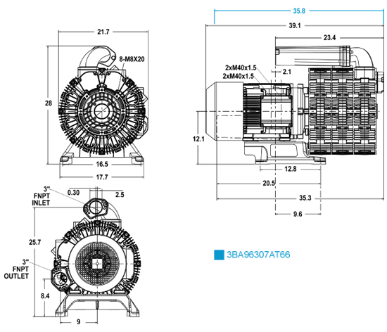
Specifications
Maximum Vacuum (inH2O) |
N/A -237 |
Maximum Pressure (inH2O) |
N/A 349 |
Horsepower |
N/A 28.4 hp |
Frequency |
N/A 60 Hz |
Phase |
N/A 3 |
Input Voltage |
N/A 220D… 250D 415Y…460Y |
Input Current |
N/A 33.3Y 57.6D |
Sound Level |
N/A 77 dBA |
Weight (Single) |
N/A 522 lb |
Capacity |
N/A Up to 1500 ft³/min |
Vacuum Rating |
N/A Up to 20 inHg |
Pressure |
N/A 13 psig |
Additional Information
|
N/A Free is a word that everyone likes to see when they are looking at a product, and this one is OIL FREE, MAINTENANCE FREE, and operates at an industry low dB(A) sound level. The 3BA has an operating capacity range of up to 1500 CFM and can achieve an end vacuum up to 20" Hg or a pressure of 13 PSIG. |




