Specifications
Model |
N/A 4RC310 |
Phase |
N/A 3 |
Frequency |
N/A 50 Hz60 Hz |
Air Flow at 50 Hertz (Hz) Frequency |
N/A 39 ft³/min66 m³/h |
Air Flow at 60 Hertz (Hz) Frequency |
N/A 47 ft³/min80 m³/h |
Rated Vacuum at 50 Hertz (Hz) Frequency |
N/A 112 in. H2O280 mbar |
Rated Vacuum at 60 Hertz (Hz) Frequency |
N/A 137 in. H2O340 mbar |
Rated Pressure at 50 Hertz (Hz) Frequency |
N/A 141 in. H2O350 mbar |
Rated Pressure at 60 Hertz (Hz) Frequency |
N/A 145 in. H2O360 mbar |
Motor Power at 50 Hertz (Hz) Frequency |
N/A 1.1 hp0.8 kW |
Motor Power at 60 Hertz (Hz) Frequency |
N/A 1.3 hp0.9 kW |
Voltage (Double Wye connection (YY)) at 50 Hertz (Hz) Frequency |
N/A 190 V |
Voltage (Wye (Star) Connection (Y)) at 50 Hertz (Hz) Frequency |
N/A 380 V |
Voltage (Double Wye connection (YY)) at 60 Hertz (Hz) Frequency |
N/A 230 V |
Voltage (Wye (Star) Connection (Y)) at 60 Hertz (Hz) Frequency |
N/A 460 V |
Current (Double Wye connection (YY)) at 50 Hertz (Hz) Frequency |
N/A 4.0 A |
Current (Wye (Star) Connection (Y)) at 50 Hertz (Hz) Frequency |
N/A 2.3 A |
Current (Double Wye connection (YY)) at 60 Hertz (Hz) Frequency |
N/A 4.0 A |
Current (Wye (Star) Connection (Y)) at 60 Hertz (Hz) Frequency |
N/A 2.3 A |
Sound Level |
N/A 62 dB |
Weight |
N/A 36 lb18 kg |
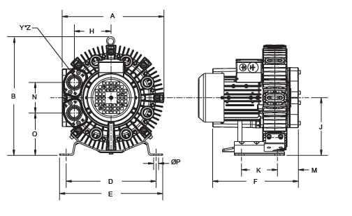
Thread Diameter (P) |
N/A 0.55 in |
Dimensions
Dimension A |
N/A 12.32 in313 mm |
Dimension B |
N/A 14.88 in378 mm |
Dimension D |
N/A 11.42 in290 mm |
Dimension E |
N/A 12.80 in325 mm |
Dimension F |
N/A 10.08 in256 mm |
Dimension H |
N/A 4.49 in114 mm |
Dimension J |
N/A 6.97 in177 mm |
Dimension K |
N/A 4.13 in105 mm |
Dimension M |
N/A 2.64 in67 mm |
Dimension N |
N/A 1.54 in39 mm |
Dimension O |
N/A 5.12 in130 mm |
Dimension Y*Z |
N/A 1.25 in |
Certification
Certification |
N/A Canadian Underwriters Laboratories (cUL) European Conformity (CE) International Efficiency Class 3 - CC339B (IE3) Underwriters Laboratories Recognized Component for Canada (c) and United States (us)) - E493872 |
Available Options
|
N/A All Republic Regenerative Blowers are available in pre-assembled kits for either pressure or vacuum applications. These kits include an inlet filter, gauge and relief valve, and are factory tested prior to shipment. Optional items for these kits include check valve, and tube adaptor; washdown motors, explosion proof motors, or other specialty motors; noise enclosures; and control panels such as VFD's, PLC's, or starter panels. |
Note
|
N/A The performance curves are based on air at a temperature of 59 ºF and an atmospheric pressure of 29.91 inch Hg with a tolerance of ±10%. The total pressure differences are valid for inlet and ambient temperatures up to 77 ºF. Suction capacity relates to inlet conditions. Pressure capacity relates to atmospheric conditions. For other conditions please contact Republic. Three phase motor tolerances are ±10% for fixed voltage motors and ±5% for voltage range motors. Single phase machines are designed with a ±5% tolerance. The frequency tolerance is ±2% maximum. |




